聯系我們
18903178757
- 地址:
- 河北省泊頭市富鎮開發區
- 傳真:
- 0317-8041117
- Q Q:
- 28505225
立式濾簡除塵器
立式濾筒式除塵器采用了折疊式結構形式,濾料采用微孔薄膜復合濾料,因而具有獨特的 技術性能及運行可靠等優點,適合物料回收除塵及空氣過濾之用。立式除塵器的濾筒有斜插 (LW型)和直插(LL型)兩種安裝方式。形成L系列產品。
1.主要特點
(1) L系列濾筒除塵器,由單元體(箱體)1?8只組成,可根據具體要求靈活地任意組 合,單元體本身就是一臺完整的除塵器,可以單獨使用。
(2) L系列濾筒除塵器配備有多種規格(過濾面積)和不同濾料,適用于不同粉塵性質、 溫度、含塵濃度0.5?5.0g/m3的氣體除塵或空氣過濾,除塵效率達99. 99%。
(3) L系列濾筒除塵器配備有多種安裝結構形式,可根據實際情況選用。
(4)濾料采用微孔薄膜復合濾料,實現了表面過濾,清灰容易,阻力小,具有運行穩定性 及技術可辟性。
2.工作原理
除塵器一般為負壓運行,含塵氣體由進風口進人箱體,在濾筒內負壓的作用下,氣體從筒 外透過濾料進人筒內,氣體中的粉塵被過濾在濾料表面,干凈氣體進入淸潔室從出風口排出。 當粉塵在濾料表面上越積越多,阻力就越來越大,達到設定值時(也可時間設定),脈沖閥打 開,壓縮空氣直接吹向濾筒中心,對濾筒進行順序脈沖清灰,恢復低阻運行。
3.濾筒的規格性能
濾筒的規格性能見表6-31。

4.除塵器單室性能參數
濾筒在除塵室的布置方式為斜插(LW)式布置時性能見表6-32,直插(LL)式布置時性 能見表6-33。
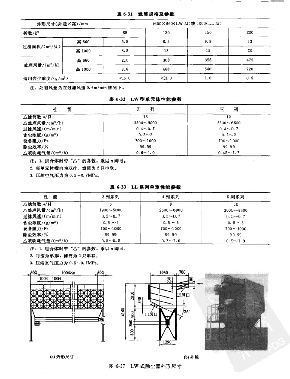
5.除塵器外形尺寸
LW式除塵器外形尺寸見圖6-37。
LL系列濾筒式除塵器主要外形尺寸及安裝尺寸見圖6-38和表6-34。


上一篇:普通塑燒板除塵器
下一篇:電袋復合式除塵器技術性能

